• Här bygger vi våran nya webbshop. Då den är under uppbyggnad så kommer den uppdateras löpande.
Frakt 99kr (inom Sverige), skickas oftast inom 2-5 dagar

Kombi-Maskingängtapp borr- och gägning, BSW 3/8 x 16

  • 550 kr

Kombi-Maskingängtapp borr- och gägning i ett moment för broddhål, BSW 3/8 x 16.


I lager.
Dela
Artikelnummer: 926
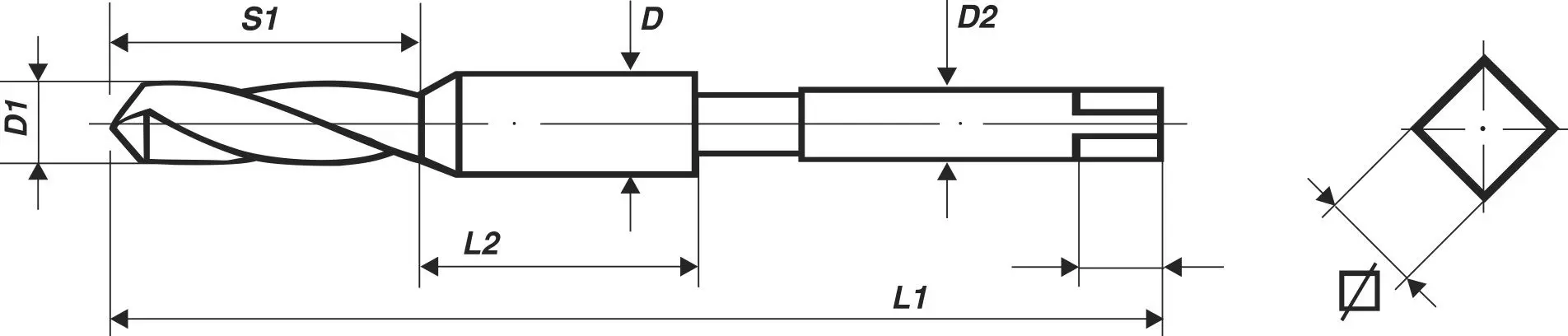
ArtikelnamnKombi-Maskingängtapp med rundt skaft och fyrkants fattning Tillverkarens Standard 30° SP HSSE - BSW 3/8 x 16
TillverkareVÖLKEL
Typmed rundt skaft och fyrkants fattning
StandardTillverkarens Standard
Typ av gänga30° Spåndrivande
MaterialHSSE
Typ av gängaWhitworth-Gänga
StorlekBSW 3/8 x 16
Gäng standardBS 84
Toleransmedium
Total längd (L1)106 mm
Gäng längd (L2)31 mm
Skaftdiameter (D2)10 mm
Längd (S1)30 mm
Kvadrat8 mm
Användningför genomgående hål


Matningshastigheten måste vara rätt anpassad för det arbete som skall utföras, borrning eller gängning. Gängchuckar med tryckkompensation bör ej användas.

Finns med och utan TiN ytbehandling. TiN behandlingen gör at friktionen minskar och därmed ökar livslängden på tappen.